• Menu
    上海正英燃燒機器有限公司
    通用分類

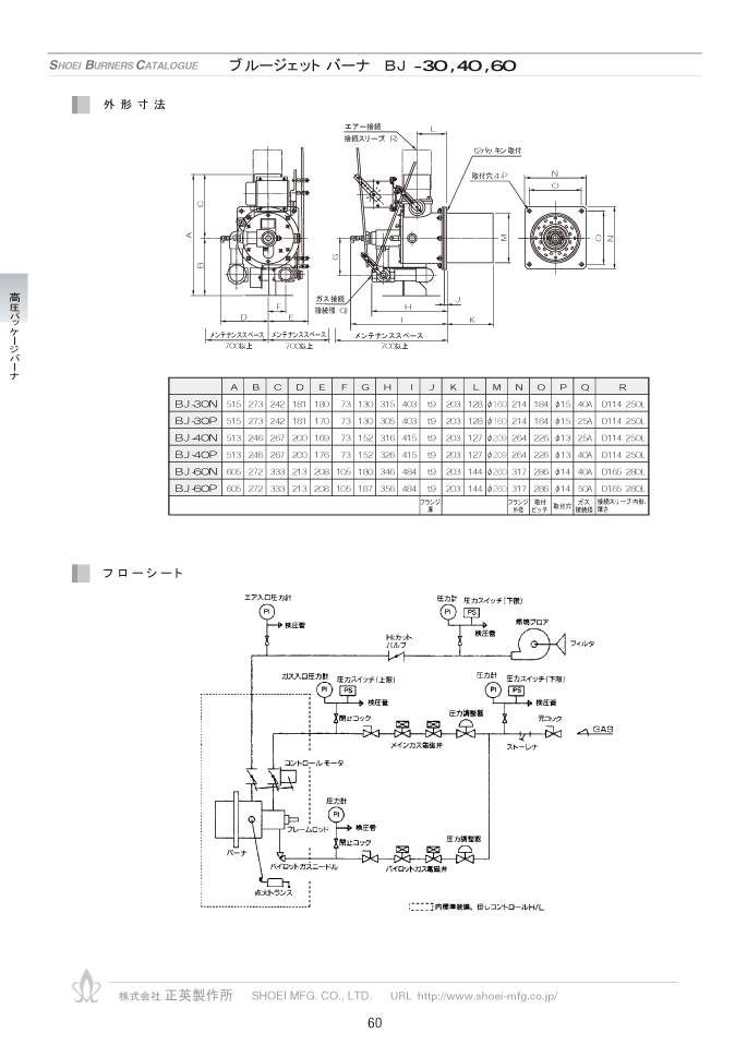
    BJ日文

    2019-08-08 13:34:45

    概要:

    上一條 BS日文
    下一條 AH-D日文

    技術支持

     

    中文

    日文

     

    聯系我們

     

    聯系我們

    在線留言

    二維碼

    聯系方式

     

    電話:021-33659125,33659126

    傳真:021-33659130

    E-mail:shoei_fx@sh-shoei.cn

    地址:上海市奉賢區南橋鎮國順路1139號

    版權所有 ? 上海正英燃燒機器有限公司    滬ICP備13045684號-1

    網站建設:中企動力  上海

    樱花视频